Dünya tarihi boyunca icatlar her zaman belirli ihtiyaçları karşılamak amacıyla doğmuştur. SMPS devrelerinin doğuşu da aslında tam olarak böyle olmuştur. SMPS devrelerinden önce kullanılan Linear Power Supply yani Doğrusal Güç Kaynakları, büyük boyutları ve kararlı çalışmalarına rağmen düşük verimleri nedeniyle sektörü yeni bir yöntemi aramaya mecbur kılmıştır. 1960' lı yılların başında Apollo Uzay Gemisi için NASA' da yürütülen çalışmalar sonucu ilk SMPS devresi Apollo' nun bilgisayar birimlerinin beslemesini sağlamak için doğmuştur. Böylece daha verimli ve daha küçük bir güç kaynağı tasarımı yapılmış olunup SMPS devrelerinin de tarihsel süreci başlamıştır.
![]() |
Apollo Uzay Gemisinde Kullanılan ilk SMPS Tasarımı |
SMPS' lerden bahsetmeden önce SMPS teknolojisinin gelişimine değinmek istiyorum. Elektriğin insanların hayatına ciddi anlamda girmeye başlamasıyla beraber elektroniğin gelişimi de temel olarak tasarımcıların tasarımları için gerekli olan gücü sağlayabilmeleri ile başlamıştır. Burada çok eski bir teknoloji olarak bildiğimiz Linear/Doğrusal Güç Kaynakları varoluşundan bu yana görmeye alışık olduğumuz bir yöntemdir. Bu yöntem günümüzde hassas, ölçeklenebilirlik ve yüksek verim kaygısı olmayan tasarımlarda hala kullanılmaktadır. Lineer Regülatörler temel olarak şebekeden (220V/50Hz) alınan gerilimi bir sac trafonun primer-sekonder sargılarının oranına bağlı olarak daha düşük bir gerilime dönüştürdükten sonra (örneğin; 24V, 12V, 9V vb.) bir köprü diyot yardımıyla tam dalga doğrultarak op-amp, transistör ve direnç grubuyla çıkış gücünü sağlayan regülatör devreleridir. Aşağıda temel yapısıyla günümüzde kullanılan haliyle bir lineer regülatör devresi gösterilmiştir. Op-ampların gelişiminden önce bu devrelerin tasarımları tamamen transistör ve direnç gruplarıyla kontrol edilmekteydi.
![]() |
| Temel Yapısıyla Lineer/Doğrusal Güç Kaynağı Devresi |
Devrede giriş bölümü şebeke voltajına bağlanmıştır, bu değer 50 Hz frekanslı 220 VAC' dir. Bu gerilim bir sac trafo yardımıyla daha düşük bir gerilime dönüştürülür sonrasında bu gerilim bir köprü diyot yardımıyla sağdaki resimde görüldüğü gibi tam dalga doğrultulur.Sonrasında giriş kondansatörü köprü diyotun çıkışındaki gerilimi yine yandaki şekilde görüldüğü gibi şarj/deşarj aralıklarındaki zamana bağlı olarak DC gerilime yaklaştırır. Bu kondansatörün değeri kullanacağınız gerilimin değerine göre farklılık gösterebilir. Devrenin üzerinde bulunan NPN transistör çıkış akımını sağlamakla görevlidir. Çıkış akımının değerine bağlı olarak bu transistör değişiklik gösterebilir ancak burada yüksek kazançlı bir "Darlington Transistör" kullanmakta fayda vardır. Rcb direnci bir pull-up direncidir ve transistörün base ile op-ampın çıkışının boşta kalmaması için kullanılmıştır ve kullanılmasında fayda vardır. Kullanılan op-amp non-inverting amplifier olarak bilinen yöntem ile kullanılmıştır ve regülasyon işlemini yapan devre elemanıdır. Regülasyon işlemi sırasında dikkat edilmesi gereken bir nokta op-ampın non-inverting (+) ucuna bağlı bulunan Zener Diyottur. Çünkü bu diyot regülatör devresinin referans gerilimini oluşturmaktadır. Üzerinde bulunan direnç ise zener diyotun çekmesi gereken akımı sağlayabilmek amacıyla kullanılmıştır ve 1k değeri yeterlidir. Hassasiyet gerektiren uygulamalarda zener diyot yerine TL431 gibi bir gerilim referans kaynağı tercih edilmelidir. Tasarımın çalışma prensibi aşağıda verilen formülle açıklanmaktadır. Formüldeki Vref gerilimi op-ampın '+' ucuna uygulanan gerilimdir. Bir lineer regülatör tasarımı yapılırken unutulmaması gereken detaylardan birisi de çıkış akımını sınırlayan bir akım sınırı devresi kullanmaktır.
![]() |
| Linear / Doğrusal Power Supply |
Günümüzde kullandığımız elektronik cihazların içerisinde ya da harici olarak cihazlarla birlikte verilen ürünlerin bir çoğunun içerisinde SMPS devreleri bulunmaktadır. Çünkü üretici şirketler daha hafif daha küçük ve taşınabilir cihazlar üreterek minimum boyutlardan maksimum kazançları sağlamayı hedeflemektedir. Bu ürünlere birkaç örnek vermek gerekirse, telefon şarj aletlerimiz ve bilgisayar şarj aletlerimiz ve bilgisayarlarımızın içerisindeki besleme devreleri gözle görülen örneklerdendir. Bunun yanı sıra adaptör ile çalışan bütün cihazlarda yine adaptörlerin içerisinde bulunan SMPS devreleri ile çalışmaktadır.
Aşağıdaki fotoğrafta SMPS devrelerinin bütün topolojilerinde geçerli sayılabilecek bir blok diyagram görülmektedir. SMPS devreleri genel olarak bu diyagramda görüldüğü gibi çalışmaktadır. Burada kullanılan topolojilere veya devrelerin gerekliliklerine bağlı olarak kullanılan yani kullanılması zorunlu olmayan birimleri "opsiyonel" olarak belirttim. Bu bölümleri detaylı olarak üçüncü SMPS yazımda açıklayacağım.
![]() |
| SMPS Devrelerinin Genel Blok Diyagramı |
SMPS devreleri 20 kHz' den ihtiyaca göre 1-2 MHz' e kadar anahtarlama frekanslarında çalışabilen devrelerdir. Anahtarlama frekanslarının bu denli yüksek olması aslında boyutların küçülmesi ile direkt ilişkilidir. Bu ilişkiyi gösteren denklem aşağıda gösterilmiştir.
Formülde "Wa" parametresi trafonun pencere açıklığını (window area) ifade eder , "Ac" ise trafonun nüvesinin kesit alanıdır (cross sectional area). Görüldüğü üzere "fs " yani anahtarlama frekansı, formülün paydasında yer almaktadır ve bu denklem bize anahtarlama frekansının yükselmesinin, trafonun boyutlarının küçülmesiyle olan ilgisini açıklamaktadır.
SMPS teknolojisinin en önemli avantajlarından bir diğeri regülatör kazançlarının %90' nın üzerinde olmasıdır. Bu minimum güç ile maksimum verimi elde etmek anlamına gelmektedir ve üreticileri SMPS teknolojisine yaklaştıran diğer bir önemli nedendir. .Verimlilik konusunda yapılan çalışmalar artık günümüzde SMPS devrelerinin şebekeden çektiği güce bağlı verimlerini de yükseltmiştir. Burada bahsedeceğimiz teknoloji PFC' dir. İngilizce açılımı "Power Factor Correction" yani "Güç Oranı Düzeltme" anlamına gelmektedir. PFC kullanılmayan devrelerde güç çarpanı temel olarak 0.5 veya 0.6 olarak kabul edilir. Bu da çıkışı 100 Watt olan bir SMPS devresinin şebekeden yaklaşık 150 Watt bir güç çekeceği anlamına gelmektedir. PFC devrelerinin hedefi kullanımları dışında "0.5" olarak kabul edilen güç çarpanı değerini "1" e yaklaştırmaktır. Bunu da biraz daha açmak gerekirse, şebeke tarafından çekilecek olan RMS giriş akımının miktarını azaltmak olarak açıklayabiliriz. Bunun yanı sıra devre üzerindeki güç dağılımının verimliliğini de olumlu yönde etkilemektedirler.
PFC devreleri "Active" ve "Passive" olarak ikiye ayrılır. Active PFC devreleri günümüzde güç çarpanı değerini 0.99' a kadar yaklaştırmıştır. Güç çarpanı değerinin ideal olarak "1" olduğu düşünüldüğünde bu değer mükemmele yakındır. PFC devrelerinin günümüzde verimliliğin önemli olduğu ciddi projelerde kullanımları kaçınılmaz hale gelmiştir. Kullanıldığı yerlere verilebilecek en güzel örnek bilgisayarlarımızın içerisinde bulunan power supply devreleridir. Passive PFC devreleri temel olarak bir sac trafo ve kondansatörden oluşmaktadır. Büyük boyutları ve 0.7-0.8 arasında değişen güç çarpanları nedeniyle active PFC devrelerinin gerisinde kalmıştır. Active PFC devreleri ise temel olarak bir SMPS devresinin içerisinde bulunan başka bir SMPS devresi gibi düşünülebilir. Güç Çarpanı değerleri 0.9 ile 0.99 arasında değişmektedir.
| Passive PFC Devresi |
| Active PFC Devresi |
SMPS' lerin avantajlarını ve bu avantajları sağlayan durumları açıkladıktan sonra SMPS devreleri hakkında genel bilgiler vermek istiyorum. SMPS devrelerinin giriş bölümlerinde bulunan kondansatörler SMPS' lere ilk enerji verildiği anda yüksek bir şarj akımı çekerler. Bu akım devrenin normal sınırlarının üzerinde olur ve devreye zarar verebilme ihtimali söz konusudur. Bu nedenle SMPS devrelerin girişlerinde "inrush dirençleri" kullanılmaktadır. Bu dirençler genellikle NTC termistörler olarak seçilir. Bu dirençlerin kullanılmasının nedeni ani şarj akımlarına karşı devrenin akımını sınırlandırmak ve devreyi korumaktır. Burada bahsedilmesi gereken diğer bir eleman ise "sigortalardır". Sigortalar olağan dışı koşullarda şebekeden aşırı akım çekilmesini engellemekle görevli devre elemanlarıdır. Devrenin aşırı akım çekmesi durumunda patlayarak açık devre konumuna geçer ve devrenin şebekeyle olan ilişkisini keserek devrenin geri kalanını korurlar. Şebeke bölümüne yerleştirilen sigortaların birkaç farklı modeli bulunmaktadır ve tasarımcı devrenin parametrelerine göre sigorta seçimi yapabilmektedir.
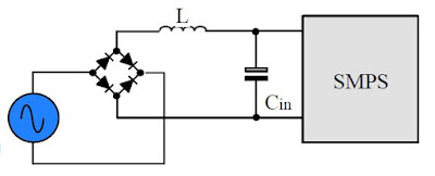
SMPS' lerden bahsedildiği zaman filtreleme işlemleri bu tasarımların göz ardı edilemez bir parçasıdır. Çünkü SMPS' ler yüksek frekanslarda çalışan devreler olduğu için bu frekanslarda oldukça gürültü ve harmonik üretme kabiliyetine sahiptirler. Bu gürültülere örnek verilecek olursa; şebeke hattındaki gürültüler, anahtarlama gürültüleri ve hat gürültüleri gösterilebilir. SMPS devreleri üzerinde şebeke tarafından gelebilecek gürültüleri ve şebeke tarafına gidebilecek gürültüleri önlemek için devrenin AC bölümünde kullanılabilecek filtreleme yöntemleri bulunmaktadır. Bu yöntemler devrenin gürültü hassasiyetine göre tasarlanıp, seçilebilir. Yöntemlerden biri ve kolay olanı hatlardaki gürültüleri kondansatör gruplarıyla engellemektir. Diğer bir yöntem ise EMI Filtre yöntemidir. EMI Filtre RLC gruplarından oluşan bir filtreleme yöntemidir ve sonuçları oldukça başarılıdır. Endüstriyel bir power supply tasarımı yapılırken tasarlanan devrenin belirli bazı EMI (Electro Magnetic Interferance) değerleri vardır. Bu değerlerin üzerinde bulunan tasarımlar onay alamayarak satışa sunulamaz. Filtreleme işlemleri tasarımların gerektirdikleri hassasiyetlere göre detaylandırılabilir. EMI' yi önlemek için EMI Filtre tasarımları yapıldığı gibi PCB' lerin katmanlarını arttırmak, devrenin çevresini ve manyetik salınım yapabilecek komponentleri (trafolar, bobinler vb.) ekranlamak gibi yöntemler sıklıkla kullanılan diğer yöntemlerdendir. Filtreleme içerisinde bazı parametreler barındıran bir işlemdir. Bunu açıklayacak olursak; devrenin kendi üzerinde oluşan EMI ve gürültüler, devrenin dışarıya yaydığı EMI, devrenin dışardan içeriye aldığı EMI, devrenin şebeke hattından gelen gürültüler ve devrenin şebeke hattına aktarabileceği gürültülerden bahsedebiliriz. Bir SMPS tasarımı yapılırken tüm bu parametreler göz önünde bulundurulmalıdır. Aşağıdaki örnekte en basit haliyle bir EMI Filtre devresi gösterilmiştir.
![]() |
| Temel EMI Filtre Devresi |
SMPS devrelerinin diğer özel elemanlarından bir tanesi switchleri yani anahtarlarıdır. Seçilen topolojiye bağlı olarak düşük güçlü tasarımlarda anahtarlar entegre sürücü devrelerinin içerisinde de bulunabilmektedirler. Bu anahtarlar gerek entegrelerin içerisinde gerekse harici olarak dışardan bağlanan tasarımlarda günümüzde en çok MOSFET' ler olarak seçilmekte ve kullanılmaktadır. Bunun nedeni MOSFET' lerin çok hızlı anahtarlama yapabiliyor olmaları ve çok yüksek peak akımlarına karşı dayanıklı olmalarıdır. MOSFET' ler devrenin anahtarlama frekansında anahtarlama yaparak oluşturdukları PWM sinyallerini regülatör trafolarına iletirler.
Burada bahsetmemiz gereken bir diğer konu ise PWM Controller Entegreleridir. MOSFET' lerin gatelerini istenilen frekanslarda sürebilmek için kullanılan bu entegreler topolojilere göre farklılık göstermektedirler. PWM Controller entegreleri SMPS devrelerinin Primer yani yüksek güç barındıran bölgelerinde konumlanmaktadır. Bazı tasarımlarda bu entegreler devrenin primerinden tamamen izole edilirken bazı tasarımlarda ise primer bölgesiyle beraber değerlendirilip devrenin sekonder bölgesinden izole edilirler. Devrenin primerinden izole edildikleri iki yöntem bulunmaktadır. Bu yöntemlerden ilki ve en sağlıklısı Gate Drive Trafosu kullanılan yöntemdir. Gate Drive Trafosu endüstriyel ve yüksek güçlü uygulamalarda, çift MOSFET' li topolojilerde görmeye alışık olduğumuz bir yöntemdir. Bu yöntem sayesinde PWM Controller Entegresi devrenin primer kısmından izole edilirken çift anahtarlamalı topolojilerde MOSFET' lerin gatelerine gelen sinyalleri de fazlandırarak anahtarlama işlemine katkı sağlamaktadır. Bu yöntem düşük güç yoğunluklu SMPS devrelerinde tercih edilmeyen bir yöntemdir. Bunun nedeni Gate Drive Trafosu ile tasarlanan SMPS devrelerinin harici bir izole besleme devresi (Isolated Aux Supply) gerektirmesidir. İkinci yöntem ise Low Side ve High Side Gate Drive Sürücü Entegrelerinin opto-couplerlar ile beraber kullanılmasıdır. Bu yöntem de Gate Drive Trafosu yerine kullanılabilir ancak daha az tercih edilen bir tasarım yöntemidir. Son yöntem ise günümüzde sıklıkla karşılaştığımız düşük güç yoğunluklu, tek MOSFET' li devrelerde ve hatta MOSFET' leri PWM Controller entegrelerinde dahili olarak bulunan tasarımlarda kullanılan yöntemdir. Bu yöntemin tasarımı devrenin primer ve sekonderi arasındaki izolasyonu sağlayan opto-coupler ile yapılmaktadır. Tek MOSFET' li tasarımlar için kullanılan en kolay yöntemdir. Günümüzde PWM Controller teknolojisinin gelişimiyle bu entegreler SMPS devrelerinin vazgeçilmez bir parçası olmuşlardır. Ayrıca entegrelerin akım veya gerilim feedbacki yapabiliyor olmaları da regülasyonu kolaylaştıran diğer bir etkendir. Üzerlerinde termal kapama bulundurmaları da güvenliği arttıran diğer bir etkendir.
![]() |
| Trafo Çıkışındaki Dalga formu ve Tam Dalga Doğrultulmuş Hali |
MOSFET' lerin anahtarladıkları pulselar regülatör trafosuna ulaştıktan sonra trafo sarım oranına bağlı olarak sekonder bölgesinde AC görünümlü bir kare dalga oluşturur. Bu pulse topolojiye bağlı olarak diyot/diyotlar yardımıyla tam dalga doğrultulur. Doğrultulan dalganın formunun negatif alternansı yandaki şekilde gösterildiği gibi pozitif alternansının yanına eklenmiştir. Ancak bu dalga formuna DC gerilim demek doğru değildir. Bu formdan temiz bir DC gerilim elde edebilmek için çıkış filtrelerine ihtiyaç duyulmaktadır. Bu filtreler topolojiye bağlı olarak bobin&kondansatör veya kondansatör gruplarından oluşabilir. SMPS devrelerinin çıkışlarında kullanılan kondansatörler için dikkat edilmesi gereken noktalardan birisi de seçilen kondansatörlerin Low ESR olmasıdır. ESR Eşdeğer Seri Direnç anlamına gelmektedir ve bu kondansatörlerin ESR değerinin yüksek olması çıkış gerilimini olumsuz yönde etkilemektedir.
Buraya kadar temel olarak bir SMPS devresinin nasıl çalıştığını anlattık. Ancak bu koşullarda çalışan bir devrenin çıkış gerilimi regülesizdir. Bir güç kaynağı devresinin çıkışının yaşanacak her türlü durum göz önüne alınarak regüleli olması gerekmektedir. Bu durumda SMPS devrelerinde kullanılan PWM Controller entegreleri kompanzasyon/feedback girişleriyle tasarımcıların yardımına koşmaktadır. Ancak tasarımcı bu uçların yanı sıra kendi feedback devrelerini de uygulayabilmektedir. Bu durumlarda tasarımcı hızlı opamplar kullanarak "Error Amplifier (Hata Amplifikatörü)" tasarlamak durumundadır. Bu amplifikatörler voltaj ve akım feedbacki yapabilirler ve devrenin özelliklerine bağlı olarak farklı yöntemlerle tasarlanabilirler. Bunun yanı sıra tasarımcı çıkış akımının aşırı yükselmesini engellemek için de bir akım limit devresi tasarlayabilir. Bu devrenin tasarlanması devrenin akımının kontrolsüz yükselmesini engelleyerek devrenin geri kalan komponentlerinin zarar görmesini engellemektedir. Bu tasarım da yine Hata Amplifikatörü tasarımı şeklindedir. Aşağıda bir Error Amplifier tasarımının örneği verilmiştir.
![]() |
| Type II Error Amplifier |
Böylelikle SMPS devrelerinin genel tasarım süreçlerine değinmiş olduk. Aşağıdaki fotoğrafta Half Bridge Topolojisi ile tasarlanmış Passive PFC devreli bir 8 renk WEB matbaa makinesinin sürücülerini, kontrol panellerini, işlemcilerini ve bilgisayarlarını beslemek için kullanılan, çoklu sabit çıkışlı bir ATX Power Supply görüyoruz. Bu devrede gerilim/akım ayarı hariç blok-diyagram üzerinde bulunan bütün birimler aktif olarak kullanılmıştır.
| 550 W Half Bridge SMPS |
KAYNAKLAR:
1- http://www.righto.com/2019/08/reliable-after-50-years-apollo-guidance.html
2- http://www.circuitstoday.com/filter-circuits/full-wave-rectifier-with-capacitor-filter-waveform
3- https://tr.farnell.com/solahd/slcasc-cvr/power-supply-safety-cover/dp/4848949
4- https://incompliancemag.com/article/be-careful-with-input-output-feedback-in-filters/
5- https://incompliancemag.com/article/be-careful-with-input-output-feedback-in-filters/
6- https://www.st.com/content/dam/technology-tour-2017/session-3_track-5_acdc-power-conversion.pdf
Sign up here with your email







ConversionConversion EmoticonEmoticon